Torpedo
- Torpedo
- Сообщений: 15184
- Зарегистрирован: Пт сен 14, 2007 09:42:04
- Откуда: Киев
- Авто: Nissan Qashqai, 2.0, CVT, 4WD
Re: Сел аккумулятор
Ср янв 23, 2019 20:10:11
Да уж, раньше АКБ в городском цикле выхаживала как минимум 4 года
mutexx
- mutexx
- Сообщений: 3966
- Зарегистрирован: Пн ноя 14, 2011 13:55:27
- Откуда: Запорожье
- Авто: Nissan Qashqai 1.6 SE 2011
Re: Сел аккумулятор
Ср янв 23, 2019 21:14:34
STORM писал(а):Только почему он то берет , то не берет энергию от генератора? Если аккумулятор разряжен, то он должен брать заряд с линейной зависимостью, а не синусоидой. Я предполагаю брак аккумулятора или регулятора напряжения.
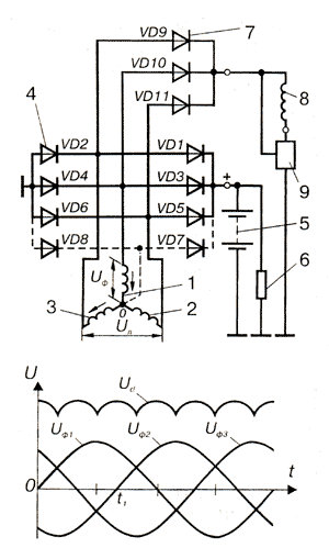
аккумулятор берет постоянно он физически по другому не может, но генератор не дает постоянно, он наоборот физически не может выдавать постоянное напряжения! Вот тебе схема и осциллограмма:

- pic1.gif (15.28 KiB) Просмотров: 2910
Период синусоиды каждой из фаз Uф зависит от скорости вращения генератора. Если скорость вращения будет небольшой, провалы итогового напряжения (сумма трех фаз) Ud от генератора будут не такими как на графике а достанут аж до нуля, аккумулятор не то что заряжаться не сможет, ему придется отдавать запасы энергии. И чем выше при этом нагрузка на бортовую сеть, тем больше будут скачки. Именно эти скачки и видно на цифровом вольтметре. Кстати, напряжение с пульсациями таким прибором измерять крайне проблематично, стрелочным же было бы видно все наглядно. Ну или осциллограф
Уже говорил, но еще раз. Чтобы аккумулятор жил долго и счастливо, нужно постоянно следить за его напряжением. П-о-с-т-о-я-н-н-о, особенно в холодное время года. Как только аккумулятор разрядился, скажем до 12В, дозарядить. ВСЕ. Снимать его при этом с автомобиля - не обязательно, заносить в теплое помещение/гараж - не обязательно
Tabarik
- Tabarik
- Сообщений: 3273
- Зарегистрирован: Пн июл 02, 2007 22:54:58
- Откуда: Київ
Re: Сел аккумулятор
Ср янв 23, 2019 21:31:49
Torpedo писал(а):Да уж, раньше АКБ в городском цикле выхаживала как минимум 4 года
Качество падает. На прошлой машине Бош 70А отработал 5 лет. На этой такой же 2 года. С электрикой все норм, диагностировал. Взял небрендовый, самый доступный 95А.
bykovdima
- bykovdima
- Сообщений: 9912
- Зарегистрирован: Ср май 28, 2008 14:02:03
- Откуда: Миколаїв
- Авто: не кашкай
Re: Сел аккумулятор
Ср янв 23, 2019 22:11:31
Torpedo писал(а):Старт-стоп
в системах старт-стоп идут (должны идти) специальные аккумуляторы
Torpedo
- Torpedo
- Сообщений: 15184
- Зарегистрирован: Пт сен 14, 2007 09:42:04
- Откуда: Киев
- Авто: Nissan Qashqai, 2.0, CVT, 4WD
Re: Сел аккумулятор
Ср янв 23, 2019 22:38:07
bykovdima
А усиленные это не есть специальные? И чего в нём такого должно быть специального кроме повышенной ёмкости?
BIS
- BIS
- Сообщений: 3389
- Зарегистрирован: Вс авг 21, 2011 18:05:23
- Откуда: Полтава
- Авто: X-trail e-power e-4orce n-connecta,X-trail 4WD CVT2.0 ACENTA
Re: Сел аккумулятор
Ср янв 23, 2019 23:08:28
mutexx писал(а):аккумулятор берет постоянно он физически по другому не может, но генератор не дает постоянно, он наоборот физически не может выдавать постоянное напряжения! Вот тебе схема и осциллограмма:
pic1.gif
Период синусоиды каждой из фаз Uф зависит от скорости вращения генератора. Если скорость вращения будет небольшой, провалы итогового напряжения (сумма трех фаз) Ud от генератора будут не такими как на графике а достанут аж до нуля, аккумулятор не то что заряжаться не сможет, ему придется отдавать запасы энергии.
IMHO со всеми выводами согласен, кроме изначальной предпосылки "провалов до нуля". С уменьшением частоты вращения синусоиды растянутся во времени, но итоговое сложение трех фаз будет таким же и растянутым во времени. Вероятно с уменьшением частоты уменьшается ток/амплитуда напряжения и его недостаточно для питания. Но провалов до нуля не должно быть.
bykovdima
- bykovdima
- Сообщений: 9912
- Зарегистрирован: Ср май 28, 2008 14:02:03
- Откуда: Миколаїв
- Авто: не кашкай
Re: Сел аккумулятор
Ср янв 23, 2019 23:21:34
Torpedo писал(а):bykovdima
А усиленные это не есть специальные?
нет, гугл расскажет лучше чем я
Torpedo писал(а):bykovdima
И чего в нём такого должно быть специального кроме повышенной ёмкости?
цена )))
https://hotline.ua/auto/avtomobilnye-ak ... ory/78116/
mutexx
- mutexx
- Сообщений: 3966
- Зарегистрирован: Пн ноя 14, 2011 13:55:27
- Откуда: Запорожье
- Авто: Nissan Qashqai 1.6 SE 2011
Re: Сел аккумулятор
Ср янв 23, 2019 23:33:56
BIS писал(а):IMHO со всеми выводами согласен, кроме изначальной предпосылки "провалов до нуля". С уменьшением частоты вращения синусоиды растянутся во времени, но итоговое сложение трех фаз будет таким же и растянутым во времени. Вероятно с уменьшением частоты уменьшается ток/амплитуда напряжения и его недостаточно для питания. Но провалов до нуля не должно быть.
все зависит от того до какой скорости вращение замедлять будем, если до нуля то и синусоида упадет да нуля

Это так, шутка, но представь себе подключаем к генератору 12В/120А лампу накаливания 12В/1А и вращаем генератор со скоростью 1об/мин. Будет ли гореть лампа всю эту минуту? Ток генератора вроде как с огромным запасом? Синусоиды растянутся только по времени и совсем не сожмутся по амплитуде? На самом деле действительно, напряжение не будет нулевым, но лампочка загорится вряд-ли. В бортовой сети конечно провалов до нуля тем более не будет, даже при полной остановке генератора, т.к. бортовую сеть "подхватит" аккумулятор, но скачки будут
P. S. Глянул для прикола характеристики генератора в кашкае, при
1300 об/мин отдача тока 27А
2500 об/мин отдача тока 95А
STORM
- STORM
- Сообщений: 3061
- Зарегистрирован: Вт сен 11, 2012 08:00:03
- Откуда: Запорожье
- Авто: Nissan XTrail 2.0 CVT2wd 2018
Re: Сел аккумулятор
Чт янв 24, 2019 10:06:18
Съездил к ОД. Резюме-аккумулятор бракованный. Фиамм (италия) многочисленные проблемы и замены по гарантии. Дали подменный, на следующей неделе заменят на новый. По поводу моргания света и плавающих оборотов при прогреве, ответ-конструктивная особенность. Обусловлено регулятором стабилизации мощности двигателя. Что это такое я так и не понял, сами они показали какую то коробочку на генераторе и на плюсовой клемме. Где то ранее читал про это на каком то форуме. Как найду притащу сюда. После замены аккумулятора машина сильно поменяла поведение. В последнее время, при разряженном аккумуляторе, возникало ощущение что плохой бензин, машине как бы не хватало мощности на оборотах ниже 1700, до момента включения турбины. Когда медленно едешь по дворам на второй передаче или на первой , казалось, что вот вот заглохнет. Теперь всё пропало, машину как поменяли. Работает как часы. Получается, что постоянно разряженный аккумулятор влиял на работу двигателя. Очевидно постоянная нагрузка на генератор, отбирала мощность. Так я как то думаю. Я не рублю в электричестве как Мutexx, пусть исправит если что.
mutexx
- mutexx
- Сообщений: 3966
- Зарегистрирован: Пн ноя 14, 2011 13:55:27
- Откуда: Запорожье
- Авто: Nissan Qashqai 1.6 SE 2011
Re: Сел аккумулятор
Чт янв 24, 2019 10:28:40
на низких оборотах количества энергии вырабатываемой генератором просто не хватает на всех потребителей, вот график от "левого" автогенератора, но у нас так же:

Получается на маленьких оборотах генератора (двигателя) аккумулятор компенсирует этот недостаток энергии, если же он разряжен компенсировать просто некому.
STORM
- STORM
- Сообщений: 3061
- Зарегистрирован: Вт сен 11, 2012 08:00:03
- Откуда: Запорожье
- Авто: Nissan XTrail 2.0 CVT2wd 2018
Re: Сел аккумулятор
Пт янв 25, 2019 09:49:03
bykovdima писал(а):Torpedo писал(а):Старт-стоп
в системах старт-стоп идут (должны идти) специальные аккумуляторы
Вот именно такой специальный аккумулятор для старт-стоп у меня и стоял. Изготовлен по технологии EFB. Они намного дороже обычных. И призваны работать в режиме частых запусков и коротких поездок.
изначально такие АКБ разрабатывались для системы «старт – стоп», сейчас в Европе это очень актуально. Обычная батарея не сможет держать много стартов в течение дня, а вот технология EFB (ну или более дорогая AGM), запросто. Они очень быстро заряжаются, а поэтому генератор даже при короткой поездки сможет компенсировать потраченную энергию.
Почему работает дольше, чем обычные АКБ?
Собственно все просто, как я писал сверху это усовершенствованная технология. Давайте пробежим по отличиям (сравниваем с обычной батареей):
Пластины толще. ЗА счет их толщины работают намного дольше
Каждая пластина завернута в пакет из специального материала, который пропитывается электролитом
Двойной ресурс, за счет новых технологий
Более устойчивы к глубоким разрядам. Если обычный стартерный аккумулятор теряет примерно 5% от емкости при каждом глубоком разряде, то EFB варианты восстанавливаются практически до 100% емкости
При высоких температурах снижено коррозионная активность электролита на 40%
Работают от – 50 градусов, до + 60 градусов по Цельсию
Сниженный объем электролита, примерно в три раза
ЗА счет меньшего объема электрохимической жидкости и применения очищенного свинца, заряд накапливается на 45% быстрее
Улучшены показатели пускового тока, от 30 до 50%
Безопасны и практически не обслуживаемы, можно использовать даже дома, испарения электролита нет
http://avto-blogger.ru/akb-avto/akkumulyatory-efb.html
bykovdima
- bykovdima
- Сообщений: 9912
- Зарегистрирован: Ср май 28, 2008 14:02:03
- Откуда: Миколаїв
- Авто: не кашкай
Re: Сел аккумулятор
Пт янв 25, 2019 09:51:58
STORM писал(а):bykovdima писал(а):Torpedo писал(а):Старт-стоп
в системах старт-стоп идут (должны идти) специальные аккумуляторы
Вот именно такой специальный аккумулятор для старт-стоп у меня и стоял. Изготовлен по технологии EFB. Они намного дороже обычных. И призваны работать в режиме частых запусков и коротких поездок.
изначально такие АКБ разрабатывались для системы «старт – стоп», сейчас в Европе это очень актуально. Обычная батарея не сможет держать много стартов в течение дня, а вот технология EFB (ну или более дорогая AGM), запросто. Они очень быстро заряжаются, а поэтому генератор даже при короткой поездки сможет компенсировать потраченную энергию.
Почему работает дольше, чем обычные АКБ?
Собственно все просто, как я писал сверху это усовершенствованная технология. Давайте пробежим по отличиям (сравниваем с обычной батареей):
Пластины толще. ЗА счет их толщины работают намного дольше
Каждая пластина завернута в пакет из специального материала, который пропитывается электролитом
Двойной ресурс, за счет новых технологий
Более устойчивы к глубоким разрядам. Если обычный стартерный аккумулятор теряет примерно 5% от емкости при каждом глубоком разряде, то EFB варианты восстанавливаются практически до 100% емкости
При высоких температурах снижено коррозионная активность электролита на 40%
Работают от – 50 градусов, до + 60 градусов по Цельсию
Сниженный объем электролита, примерно в три раза
ЗА счет меньшего объема электрохимической жидкости и применения очищенного свинца, заряд накапливается на 45% быстрее
Улучшены показатели пускового тока, от 30 до 50%
Безопасны и практически не обслуживаемы, можно использовать даже дома, испарения электролита нет
http://avto-blogger.ru/akb-avto/akkumulyatory-efb.html
Ну, он наверное ещё и заряжаться должен соответственно
Отправлено с моего ONE A2001 через Tapatalk
STORM
- STORM
- Сообщений: 3061
- Зарегистрирован: Вт сен 11, 2012 08:00:03
- Откуда: Запорожье
- Авто: Nissan XTrail 2.0 CVT2wd 2018
Re: Сел аккумулятор
Пт янв 25, 2019 10:09:24
bykovdima писал(а):Ну, он наверное ещё и заряжаться должен соответственно
Аккумулятору нет двух лет, он предназначен для частых стартов и коротких поездок. Как он должен заряжаться дополнительно?
mutexx
- mutexx
- Сообщений: 3966
- Зарегистрирован: Пн ноя 14, 2011 13:55:27
- Откуда: Запорожье
- Авто: Nissan Qashqai 1.6 SE 2011
Re: Сел аккумулятор
Пт янв 25, 2019 14:47:44
STORM писал(а):Аккумулятору нет двух лет, он предназначен для частых стартов и коротких поездок. Как он должен заряжаться дополнительно?
Зарядным устройством

Наверное в идеальном мире аккумуляторы работают вечно, особенно гелевые, но в реальном все немножко не так. Частые старты это сколько? Один раз в день, 10, 100? Короткие поездки это сколько? 1 км, 10, 100? Кроме того старт/стоп на светофоре разогретого двигателя (и аккумулятора) это немножко не то же самое что завести холодный двигатель с утра при минусовой температуре. Поэтому напряжение все равно контролировать нужно, хоть гелевый аккумулятор хоть обычный. Хотя... Если по гарантии на новый заменили, это з-а-ш-и-б-и-с-ь, как бы хорошо не эксплуатировался аккумулятор с годами он деградирует, быстрее или медленнее но процесс неумолимый
альтист Данилов
- альтист Данилов
- Сообщений: 826
- Зарегистрирован: Пт ноя 22, 2013 12:13:05
- Откуда: Бывший Гепаград
- Авто: Nissan Qashqai 2WD 1,6 CE CVT 2013
Re: Сел аккумулятор
Пт янв 25, 2019 16:49:13
mutexx писал(а):Зарядным устройством .
Если точнее, то внешним зарядным устройством. Желательно хорошим, импульсным, интеллектуальным. Чтобы не "кипятил" аккумулятор в конце зарядки.
Поэтому напряжение все равно контролировать нужно, хоть гелевый аккумулятор хоть обычный. как бы хорошо не эксплуатировался аккумулятор с годами он деградирует, быстрее или медленнее но процесс неумолимый
Золотые слова, не ведитесь на НЕОБСЛУЖИВАЕМЫЙ в характеристике .
Powered by phpBB © phpBB Group.
phpBB Mobile / SEO by Artodia.