flex
- flex
- Сообщений: 3520
- Зарегистрирован: Ср май 21, 2008 20:57:33
- Откуда: Киев
- Авто: Nissan Qashqai
Нужна схема кнопок управления на руле
Пн ноя 03, 2008 20:42:42
Просьба к спецам, имеющим техническую доку на Кашака... очень нужна принципиальная схема подсоединения кнопок на руле к штатной аудиосистеме-ченджеру (т.е. только аудио и блутуз... без круиз-контроля).
Насколько мне известно, схема резистивная (т.е. нажатие кнопки задаёт предопределённый порог постоянного напряжения на сигнальной шине данных, на который запрограммирована функция).
И что кнопки обучаемые... т.е. функции управления с руля можно предустановить на заданные пороги напряжения срабатывания.
Однако хотелось бы поиметь точную инфу и схему...
Сэнсэй
Да я тож нашёл на разных форумах... и везде эта инфа толковалась как-то неоднозначно.
Поэтому и хотелось бы глянуть в официальную доку (шоб сфильтровать неточности).
Собираюсь в конце недели менять штатную магнитолу... подключение кнопок на руле - одна из тонкостей установки, поэтому хочу до конца разобраться с этим.
Если не секрет, а где такой адаптер можно прикупнуть?
К нему есть дока, которая однозначно проясняет схему?
Это оригинальный или левый аксессуар?
Ты уже что-то переподключал на руле, если он тебе понадобился?
И как... работает корректно?
flex
Не, я штатной говнитолкой пользуюсь и жду, пока ты свою раскурочишь

А ты
полный технический мануал качал? 179Mb. Там и электросхемы кошака есть, только я на них не обращал внимания.
Вот в Москве были концы, где знают про адаптер:
"Стоит 5000 рублей.
www.ABTO-ACC.ru
icq 408-707-217,490-201-398
тел. (495)173-5809, 730-5809, 506-1730, (499) 267-5953"
Сэнсэй писал(а):Не, я штатной говнитолкой пользуюсь и жду, пока ты свою раскурочишь

А ты
полный технический мануал качал? 179Mb. Там и электросхемы кошака есть, только я на них не обращал внимания.
О, супер!!! Как-то я упустил этот момент с мануалом (подумал, что это типо той книжки, что на Петровке взял.... и забил). Спасиб огромный!

Как поставлю голову, если заведётцо и буит работать так шоб мне не краснеть, то устроим презентацию для жылаючих.
Сэнсэй писал(а):Вот в Москве были концы, где знают про адаптер:
"Стоит 5000 рублей.
www.ABTO-ACC.ru icq 408-707-217,490-201-398
тел. (495)173-5809, 730-5809, 506-1730, (499) 267-5953"
Хотя в мануале на голову вродь как прямое подключение и ничего не гритцо про адаптер... но завтра отзвонюсь туда полюбэ и поспрашаю.
Последний раз редактировалось
flex Вт ноя 04, 2008 00:32:56, всего редактировалось 1 раз.
Вот ещё в московской Эрте:
Контроллеры рулевого управления на Ниссан
Добавлено спустя 16 минут 15 секунд:
А вот ещё на буржуйском языке сервисный мануал (более 300 Мб зарубежного трафика):
http://qashqai-city.ru/data/Nissan_Qashqai_Tech_Manual.zip
Сэнсэй
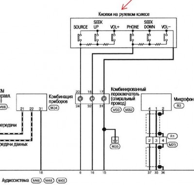
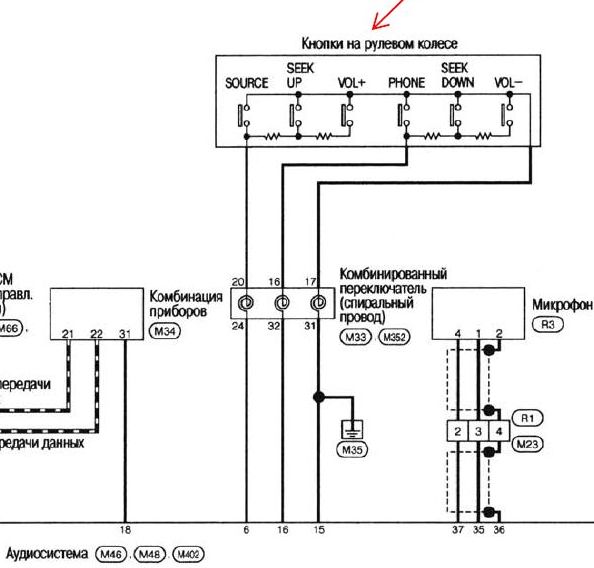
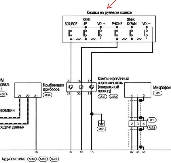
Вуа-ля!!! Нашёл таки схему (в прицепе фрагмент, стр 557)... Сэнсэю - БАНЗАЙ!!!
Это уже 90% победы!
- Вложения
-

- Схема подключения кнопок управления на руле к магнитоле
flex
Ежли у тебя всё получиццо - с тебя магарыч, а если попалишь чего - я не при чём
Сэнсэй писал(а):Ежли у тебя всё получиццо - с тебя магарыч,
ЛЕГ-КО!

Сэнсэй писал(а):а если попалишь чего - я не при чём

Беспаники... СЯДЕМ ВСЕ!
Вот с цветами проводов и разъемом.
- Вложения
-

Наконец-то получилось настроить и обучить магнитолу 8801 кнопкам управления на руле в Кашаке...
Проблема была в том, что штатная магнитола имеет 2 сигнальных входа (20 и 16), в то время как новая 8801 имеет только 1 вход (белый пров.).
Пришлось самому придумывать резистивную схему адаптации.... она (в прицепе) построена на двух подстроечных резисторах (1-1,5 кОм) и представляет собой перестраиваемый делитель напряжения.
Для тестового обучения магнитолы 8801 также пришлось собрать макет схемы кнопок на руле (фотки в прицепе.... отдельное СПАСИБО тов-чу
AnD345 за номиналы штатных резисторов на руле)... на Кардачах прикупил 6 кнопок + 4 подстр. резистора (пара на 680 Ом и пара на 330 Ом), мультиметром выставил их точные значения (165 и 487 Ом как на схеме), собрал и соединил всё на соплях в виде временного макета.
Входы справа (красный, белый и чёрных) подключил к магнитоле 8801 и запустил режим обучения.... сохранил конфигурацию в памяти, проверка реакции магнитолы на нажимание кнопок на макете прошла успешно на все 100%.
Единственный нюанс - магнитола 8801 не понимает функцию поднятия трубки в режиме управления с руля... это программное ограничение и тут ничего не поделаешь (я просто заменил её другой функцией MUTE и теперь нажимание этой кнопки выполняет не поднятие трубки в режиме громкой связи, а вкл/выкл звука на магнитоле). Поднятие трубки в режиме громкой связи выполняется через тачскрин на 8801 (см. картинку).
Всё, гайз! Поехал на сервис объяснять всю эту хренотень мастеру....
надеюсь, сегодня закончим инсталляцию.
- Вложения
-

-

-

flex
Глыба! предлагаю картонную коробку подогнать к 1-диновому разъёму и вставить под магнитолой. Экслюзив будет
Сэнсэй писал(а):flexГлыба! предлагаю картонную коробку подогнать к 1-диновому разъёму и вставить под магнитолой. Экслюзив будет

еще и запасной ящичек будет
Сэнсэй

угу.... тогда лучче вставить в задний подлокотник (заместо подстаканников)... типо управление мафоном в задней зоне.