Tariel
- Tariel
- Сообщений: 786
- Зарегистрирован: Вс окт 14, 2007 11:47:37
- Откуда: Мать городов русских
Автоматизация зеркал
Ср мар 19, 2008 20:47:29
Господа, два вопроса по зеркалам
1. Вопрос к Сигналкину, AnD345 и остальным "посвященным"
На многих новых тачках при включении заднего хода зеркала автоматически опускаются на несколько градусов, дабы легче парковаться было. А можно ли такое организовать на КК? По идее все должно решаться программно (ну максимум с простеньким блочком стороннего китайско-тайване-российского происхождения).
2. Гляньте, плз, в сложенном положении у вас лопухи симметрично торчат? У меня водительский малехо оттопырен.
Антокса
- Антокса
- Сообщений: 40
- Зарегистрирован: Вт мар 11, 2008 16:15:26
- Откуда: Киев, Дарница
Ср мар 19, 2008 20:58:37
Угол наклона обучаемый - его можно настроить самому некоторыми манипуляциями.
Mortus
- Mortus
- Сообщений: 2860
- Зарегистрирован: Пн май 28, 2007 23:34:09
- Откуда: Киев, Соломенка
- Авто: Qashqai 2019 Tekna, 2l, 4WD, CVT
- Сайт
Ср мар 19, 2008 21:29:09
Антокса
С этого места поподробнее, пожалуйста.
Dima
- Dima
- Сообщений: 807
- Зарегистрирован: Чт сен 27, 2007 22:21:33
- Откуда: Сумы
- Авто: Nissan Qashqai 2.0, TeknaPack, 2007, CVT, 2WD
Ср мар 19, 2008 21:30:55
????
Tariel
- Tariel
- Сообщений: 786
- Зарегистрирован: Вс окт 14, 2007 11:47:37
- Откуда: Мать городов русских
Ср мар 19, 2008 22:29:20
Антокса
фигасе... это как?!
Викторович
- Викторович
- Сообщений: 2040
- Зарегистрирован: Чт июн 07, 2007 12:14:39
- Откуда: Киев
Ср мар 19, 2008 22:50:17
От флудеры. лижбы что накалякать.
Tariel писал(а):Гляньте, плз, в сложенном положении у вас лопухи симметрично торчат? У меня водительский малехо оттопырен.
Так вот. Именно так и должно быть, по тому что они и в открытом состоянии чуть но под разным углом стоят, просто в открытом не заметно. А когда складываешь так пасажирское прижимается плотнее.
А разный угол по тому что сидишь ты ближе к водительскому. По этому уголы зеркал (корпусов зеркал) разный.
Ну а Антокса наверное имел ввиду как раз сами зеркала, их регулеровку.
Tariel
- Tariel
- Сообщений: 786
- Зарегистрирован: Вс окт 14, 2007 11:47:37
- Откуда: Мать городов русских
Ср мар 19, 2008 23:08:42
Викторович
уф... по складыванию успокоил. я просто это не сразу заметил, думал уже кто-то что-то свернул у меня
а по поводу
Викторович писал(а):Ну а Антокса наверное имел ввиду как раз сами зеркала, их регулеровку.
ну уж нет, жаждем объяснений. а вдруг машин на самом деле умный, мы просто не умеем его просить как следует
PSYcho
- PSYcho
- Сообщений: 6574
- Зарегистрирован: Вс ноя 04, 2007 14:41:27
- Откуда: Днепр
- Авто: Nissan Leaf SL 2014
Чт мар 20, 2008 00:07:06
Tariel писал(а):ну уж нет, жаждем объяснений. а вдруг машин на самом деле умный, мы просто не умеем его просить как следует
я уже ничему не удивлюсь. сколько секретов у нас таят в себе только одни подъёмники стекол)))
AnD345
- AnD345
- Сообщений: 224
- Зарегистрирован: Пт ноя 30, 2007 08:29:57
- Откуда: Сургут (ХМАО)<->Феодосия
- Сайт
Чт мар 20, 2008 07:19:07
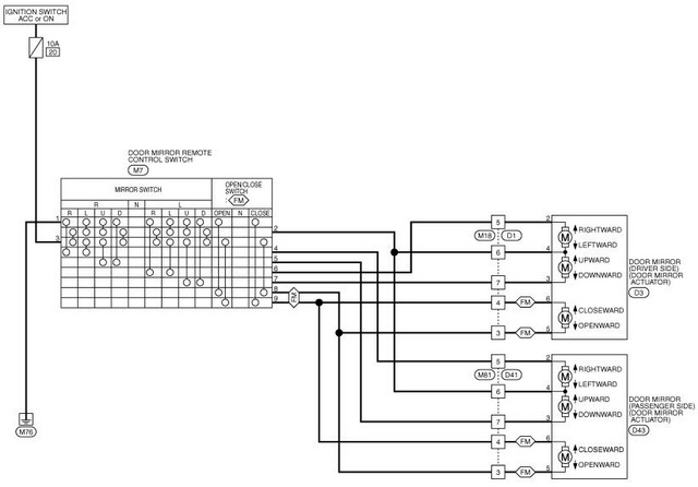
Идея очень интересная, но мне кажется осложнена отсутствием шаговых двигателей. Стоят обычные эл.моторчики. И нет ни какого контроллера штатно, схема зеркал до опупения проста.
Для реализации автоопускания на задний ход придется что нибудь колхозить.
Кто возьмется?
- Вложения
-

- Эл. схема привода зеркал.
Антокса
- Антокса
- Сообщений: 40
- Зарегистрирован: Вт мар 11, 2008 16:15:26
- Откуда: Киев, Дарница
Чт мар 20, 2008 08:46:35
Машинка действительно очень умная. Например, её можно научить или разучить подымать водительское стекло автоматом до конца. При чём сам "конец" - тоже обучаем. Включаем зажигание, опускаем стекло максимально вниз, потом поднимаем вверх и не отпускаем кнопку 30 секунд. После этого выключаем кнопку - предел задан. Теперь сеткло само одним нажатием подымается до самого вверха (заводская настройка по умолчанию).
Но. Есть интересная фишка для любителей ездить с чуть приспущенным стеклом - если в описанной выше процедуре стекло остановить раньше, не давая ему подниматься до конца, то электроника запомнит именно этот предел высоты, и по нажатию кнопки потом стекло будет автоматически подниматься не до максима, а до обученного предела.
Так же естьспособ зафиксировать угол наклона зеркал при включении задней передачи - по умолчанию они поворачиваются на заводскую настройку, но её можно откорректировать путём подобных вышеуказанным манипуляциям с рычажком регулировки зеркал.
А секретов очень много действительно, многие и не узнаешь
URRI
- URRI
- Сообщений: 582
- Зарегистрирован: Пн мар 05, 2007 16:48:27
Чт мар 20, 2008 10:10:22
Викторович писал(а):Tariel писал(а):Гляньте, плз, в сложенном положении у вас лопухи симметрично торчат? У меня водительский малехо оттопырен.
Так вот. Именно так и должно быть, по тому что они и в открытом состоянии чуть но под разным углом стоят, просто в открытом не заметно. А когда складываешь так пасажирское прижимается плотнее.
А разный угол по тому что сидишь ты ближе к водительскому. По этому уголы зеркал (корпусов зеркал) разный.
Ну а Антокса наверное имел ввиду как раз сами зеркала, их регулеровку.
Это видимо япошек перекосило при проектировании кашкая. У меня, например на Рено, зеркала симметрично стоят. Правильнее, кстати, будет сказать не сами зеркала, а кожухи зеркал. А сама отражающая поверхность внутри кожухов уже, естественно, регулируется, по-разному для левого и правого. Так, что кожухи должны симметрично быть, по-правильному.
Advokatus
- Advokatus
- Сообщений: 684
- Зарегистрирован: Сб апр 07, 2007 14:49:35
- Откуда: Луганск
Чт мар 20, 2008 10:22:51
Антокса
Че то сомневаюсь я....
Викторович
- Викторович
- Сообщений: 2040
- Зарегистрирован: Чт июн 07, 2007 12:14:39
- Откуда: Киев
Чт мар 20, 2008 10:27:26
URRI писал(а):должны симметрично быть, по-правильному
от куда такая уверенность что правильно а что нет???
Рено это что эталон автомобилестроения

сомневаюсь.
Я написал как есть на кашкае. И не утверждаю что это правильно.
И стараюсь человеку оказать конкретную помощь, если у чеоловека есть вопрос или сомнения.
Tariel
- Tariel
- Сообщений: 786
- Зарегистрирован: Вс окт 14, 2007 11:47:37
- Откуда: Мать городов русских
Чт мар 20, 2008 10:37:44
URRI
Викторович
ну, теоретически, они (КОЖУХИ) действительно должны стоять одинаково, это вопрос аэродинамики.
а перекосило не япошек, а бритосов
TIMUR
- TIMUR
- Сообщений: 2002
- Зарегистрирован: Пн янв 07, 2008 04:27:56
- Откуда: Тернополь
Чт мар 20, 2008 10:41:37
Викторович писал(а):URRI писал(а):
должны симметрично быть, по-правильному
от куда такая уверенность что правильно а что нет???
Рено это что эталон автомобилестроения сомневаюсь.
Я тоже сомневаюсь. А у 124 Мерса ( тоже не будем его брать за эталон) так вааще, зеркала разные и никто не жаловался вроде.
Powered by phpBB © phpBB Group.
phpBB Mobile / SEO by Artodia.