Модератор: Модераторы форума
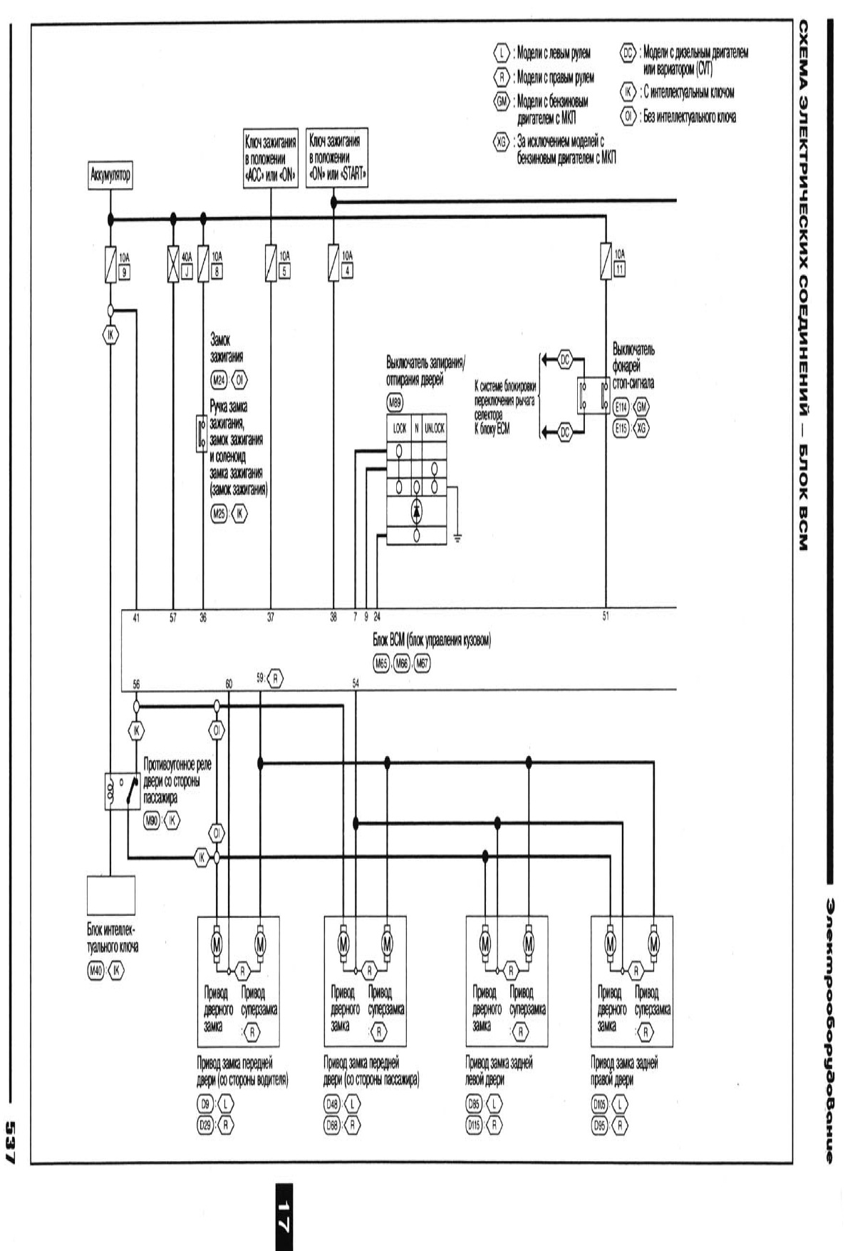
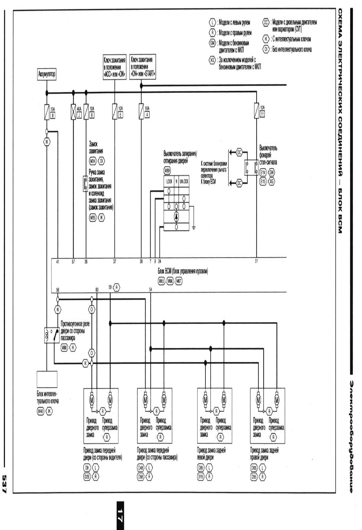
flex писал(а):Замок ключом не открывается... теперь думаю, что делать.
Voyager писал(а):Если не ошибаюсь, режим механического открытия ключем может активирован, а может быть деактивирован. И по-моему на эту тему написано в мурзилке.
flex писал(а):Voyager писал(а):Если не ошибаюсь, режим механического открытия ключем может активирован, а может быть деактивирован. И по-моему на эту тему написано в мурзилке.
В мурзилке не нашел такого, чтобы можно было деактивировать мех. привод замка.
Да и не логично это, имхо...


Kola писал(а):Такая мысль , может получится . Снять плафон подсветки заднего номера и через него подать 12 вольт.
Kola писал(а):плафон подсветки заднего номера
Kola писал(а):Такая мысль , может получится . Снять плафон подсветки заднего номера и через него подать 12 вольт . Может хватит на открывание дверей . Легче чем лезть под машину и открывать капот .
oreh писал(а):Когда-то аналогичная проблема была у Папы, нужно его попытать
oreh писал(а):а подсветка всегда светится или с габаритами?
oreh писал(а):Когда-то аналогичная проблема была у Папы, нужно его попытать

Думаю, правильно будет подключить аккум, попросив у соседа по гаражу (типа "прикурить") и открыть замок ключем или сигналкой. 
Зарегистрированные пользователи: нет зарегистрированных пользователей