Write comments

Нужна схема кнопок управления на руле

Пн ноя 03, 2008 20:42:42

Просьба к спецам, имеющим техническую доку на Кашака... очень нужна принципиальная схема подсоединения кнопок на руле к штатной аудиосистеме-ченджеру (т.е. только аудио и блутуз... без круиз-контроля).

Насколько мне известно, схема резистивная (т.е. нажатие кнопки задаёт предопределённый порог постоянного напряжения на сигнальной шине данных, на который запрограммирована функция).
И что кнопки обучаемые... т.е. функции управления с руля можно предустановить на заданные пороги напряжения срабатывания.

Однако хотелось бы поиметь точную инфу и схему... 8)
Сэнсэй

Пн ноя 03, 2008 23:12:40

flex
А мне на братских форумах много раз попадалось "и купил ещё адаптер-переходник для подключения кнопок на руле". А ты сам, получаеццо, решил адаптировать?
flex

Пн ноя 03, 2008 23:29:53

Сэнсэй
Да я тож нашёл на разных форумах... и везде эта инфа толковалась как-то неоднозначно.
Поэтому и хотелось бы глянуть в официальную доку (шоб сфильтровать неточности).
Собираюсь в конце недели менять штатную магнитолу... подключение кнопок на руле - одна из тонкостей установки, поэтому хочу до конца разобраться с этим. 8)

Если не секрет, а где такой адаптер можно прикупнуть?
К нему есть дока, которая однозначно проясняет схему?
Это оригинальный или левый аксессуар?
Ты уже что-то переподключал на руле, если он тебе понадобился?
И как... работает корректно?
Сэнсэй

Вт ноя 04, 2008 00:07:36

flex

Не, я штатной говнитолкой пользуюсь и жду, пока ты свою раскурочишь :) А ты полный технический мануал качал? 179Mb. Там и электросхемы кошака есть, только я на них не обращал внимания.

Вот в Москве были концы, где знают про адаптер:

"Стоит 5000 рублей.
www.ABTO-ACC.ru
icq 408-707-217,490-201-398
тел. (495)173-5809, 730-5809, 506-1730, (499) 267-5953"
flex

Вт ноя 04, 2008 00:24:07

Сэнсэй писал(а):Не, я штатной говнитолкой пользуюсь и жду, пока ты свою раскурочишь :) А ты полный технический мануал качал? 179Mb. Там и электросхемы кошака есть, только я на них не обращал внимания.

О, супер!!! Как-то я упустил этот момент с мануалом (подумал, что это типо той книжки, что на Петровке взял.... и забил). Спасиб огромный! 8)
Как поставлю голову, если заведётцо и буит работать так шоб мне не краснеть, то устроим презентацию для жылаючих. :smile:

Сэнсэй писал(а):Вот в Москве были концы, где знают про адаптер:
"Стоит 5000 рублей.
www.ABTO-ACC.ru
icq 408-707-217,490-201-398
тел. (495)173-5809, 730-5809, 506-1730, (499) 267-5953"

Хотя в мануале на голову вродь как прямое подключение и ничего не гритцо про адаптер... но завтра отзвонюсь туда полюбэ и поспрашаю.
Последний раз редактировалось flex Вт ноя 04, 2008 00:32:56, всего редактировалось 1 раз.
Сэнсэй

Вт ноя 04, 2008 00:45:52

Вот ещё в московской Эрте:

Контроллеры рулевого управления на Ниссан

Добавлено спустя 16 минут 15 секунд:

А вот ещё на буржуйском языке сервисный мануал (более 300 Мб зарубежного трафика):
http://qashqai-city.ru/data/Nissan_Qashqai_Tech_Manual.zip
flex

Вт ноя 04, 2008 02:20:45

Сэнсэй
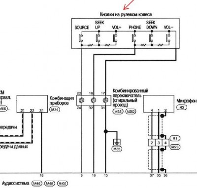
Вуа-ля!!! Нашёл таки схему (в прицепе фрагмент, стр 557)... Сэнсэю - БАНЗАЙ!!! :D
Это уже 90% победы! \:D/
Вложения
SteeringControls.jpg
Схема подключения кнопок управления на руле к магнитоле
Сэнсэй

Вт ноя 04, 2008 19:13:01

flex
Ежли у тебя всё получиццо - с тебя магарыч, а если попалишь чего - я не при чём :)
flex

Вт ноя 04, 2008 19:19:21

Сэнсэй писал(а):Ежли у тебя всё получиццо - с тебя магарыч,

ЛЕГ-КО! 8)
Сэнсэй писал(а):а если попалишь чего - я не при чём :)

Беспаники... СЯДЕМ ВСЕ! :lol:
AnD345

Пт ноя 07, 2008 09:03:05

Вот с цветами проводов и разъемом.
Вложения
sp_c_.jpg
flex

Чт ноя 13, 2008 11:09:49

Наконец-то получилось настроить и обучить магнитолу 8801 кнопкам управления на руле в Кашаке... \:D/

Проблема была в том, что штатная магнитола имеет 2 сигнальных входа (20 и 16), в то время как новая 8801 имеет только 1 вход (белый пров.).
Пришлось самому придумывать резистивную схему адаптации.... она (в прицепе) построена на двух подстроечных резисторах (1-1,5 кОм) и представляет собой перестраиваемый делитель напряжения.

Для тестового обучения магнитолы 8801 также пришлось собрать макет схемы кнопок на руле (фотки в прицепе.... отдельное СПАСИБО тов-чу AnD345 за номиналы штатных резисторов на руле)... на Кардачах прикупил 6 кнопок + 4 подстр. резистора (пара на 680 Ом и пара на 330 Ом), мультиметром выставил их точные значения (165 и 487 Ом как на схеме), собрал и соединил всё на соплях в виде временного макета.

Входы справа (красный, белый и чёрных) подключил к магнитоле 8801 и запустил режим обучения.... сохранил конфигурацию в памяти, проверка реакции магнитолы на нажимание кнопок на макете прошла успешно на все 100%.
Единственный нюанс - магнитола 8801 не понимает функцию поднятия трубки в режиме управления с руля... это программное ограничение и тут ничего не поделаешь (я просто заменил её другой функцией MUTE и теперь нажимание этой кнопки выполняет не поднятие трубки в режиме громкой связи, а вкл/выкл звука на магнитоле). Поднятие трубки в режиме громкой связи выполняется через тачскрин на 8801 (см. картинку).
Изображение

Всё, гайз! Поехал на сервис объяснять всю эту хренотень мастеру....
надеюсь, сегодня закончим инсталляцию. 8)
Вложения
Схема подключения кнопок на руле для 8801.jpg
DSCN0432.JPG
DSCN0433.JPG
Сэнсэй

Чт ноя 13, 2008 13:51:43

flex
Глыба! предлагаю картонную коробку подогнать к 1-диновому разъёму и вставить под магнитолой. Экслюзив будет :)
bykovdima

Чт ноя 13, 2008 14:13:31

Сэнсэй писал(а):flex
Глыба! предлагаю картонную коробку подогнать к 1-диновому разъёму и вставить под магнитолой. Экслюзив будет :)

еще и запасной ящичек будет :smile:
flex

Чт ноя 13, 2008 15:41:22

Сэнсэй
:smile: угу.... тогда лучче вставить в задний подлокотник (заместо подстаканников)... типо управление мафоном в задней зоне. :smile:
Write comments