Курс 1Qгрошi=0.1грн. Джекпот: 25,00. Куплено билетов: 0. Следующий розыгрыш: Сб апр 18, 2026 17:32:36. Перейти к лотерее

Сел аккумулятор

Модератор: Модераторы форума

Qashqai - умище
 
Сообщений: 3840
Images: 0
Зарегистрирован:
Чт май 08, 2008 10:25:07
Медали: 1
Форумчанин месяца (1)
Cash on hand: 262.15
Благодарил (а): 17 раз.
Поблагодарили: 130 раз.
Авто: Qashqai 1.6 cvt dci
Пункты репутации: 31

Re: Сел аккумулятор

Сообщение Ant0n » Вт окт 28, 2014 12:06:11

Я покупал в этом году фиам на бориспольской. Кий-транс.
Там же можно сдать старый по весу.
"Согласие - это продукт при полном не противлении сторон" (с) монтер Мечников

Аватар пользователя
Кашкай - Страховщик
 
Сообщений: 8976
Зарегистрирован:
Вс июн 14, 2009 21:29:59
Откуда: Киев, Осокорки
Cash on hand: 1,689.06
Благодарил (а): 1308 раз.
Поблагодарили: 1415 раз.
Авто: Qashqai 2007 2.0 4х4 CVT Silver Евросвет; ГБО BRC p&d
Пункты репутации: 119

Re: Сел аккумулятор

Сообщение oleg_t » Вт окт 28, 2014 12:28:28

На трех машинах стоит Varta Silver.
Одной Варте третий год пошел, двум второй.
Будем посмотреть.
Партнёр Кашкай-Клуба по страхованию. Все виды! Удобно и надёжно. Про автостраховки тут: viewtopic.php?f=70&t=10956

Аватар пользователя
Qashqai - умище
 
Сообщений: 3520
Images: 0
Зарегистрирован:
Ср май 21, 2008 20:57:33
Откуда: Киев
Медали: 1
Форумчанин месяца (1)
Cash on hand: 316.76
Благодарил (а): 171 раз.
Поблагодарили: 798 раз.
Авто: Nissan Qashqai
Пункты репутации: 91

Re: Сел аккумулятор

Сообщение flex » Пт дек 05, 2014 11:30:01

Очень рекомендую перед снятием/заменой аккума всегда проверять механическим ключом привод замка водительской двери!

2 дня назад сам наступил на эту граблю - закрыл все двери ЦЗ, снял аккум и захлопнул капот, не проверив мех. ключом замок вод. двери.
Замок ключом не открывается... теперь думаю, что делать.
Когда я ем - я глух и нем... хитёр и быстр, и дьявольски умён

За это сообщение автора flex поблагодарил:
альтист Данилов (Пт дек 05, 2014 18:09:52)
Рейтинг: 2.63%
 

Аватар пользователя
Qashqai - умище
 
Сообщений: 16473
Images: 2783
Зарегистрирован:
Пт янв 18, 2008 16:58:54
Откуда: Київ
Медали: 3
Форумчанин месяца (3)
Cash on hand: 2,890.87
Благодарил (а): 2679 раз.
Поблагодарили: 2712 раз.
Авто: Subaru Forester (Nissan Qashqai)
Пункты репутации: 278

Re: Сел аккумулятор

Сообщение ДВОЙНЯШКИ » Пт дек 05, 2014 11:47:25

flex
Може, просто примерзло?

Аватар пользователя
Qashqai - академик
 
Сообщений: 1351
Зарегистрирован:
Вс апр 25, 2010 18:02:10
Откуда: Одесса
Медали: 1
Форумчанин месяца (1)
Cash on hand: 152.90
Благодарил (а): 30 раз.
Поблагодарили: 184 раз.
Авто: Qashqai 1.6 B52 2007
Пункты репутации: 27

Re: Сел аккумулятор

Сообщение Voyager » Пт дек 05, 2014 11:55:19

flex писал(а):Замок ключом не открывается... теперь думаю, что делать.

Если не ошибаюсь, режим механического открытия ключем может активирован, а может быть деактивирован. И по-моему на эту тему написано в мурзилке. Естественно проверять это надо до снятия аккумулятора.
Ну а сейчас, если не будет других вариантов, брать специалистов и открывать капот снаружи и ставить аккумулятор.

Qashqai - гуру
 
Сообщений: 501
Зарегистрирован:
Ср окт 31, 2012 15:22:14
Откуда: Київ, Шулявка
Cash on hand: 129.96
Благодарил (а): 109 раз.
Поблагодарили: 189 раз.
Авто: Nissan Qashqai 1.6 CVT LE+
Пункты репутации: 16

Re: Сел аккумулятор

Сообщение DimaCh » Пт дек 05, 2014 12:02:06

Капот открывается снизу. Предварительно снимается пластиковая защита. На морозе эта процедура само-собой "нефонтан".

Аватар пользователя
Qashqai - умище
 
Сообщений: 3520
Images: 0
Зарегистрирован:
Ср май 21, 2008 20:57:33
Откуда: Киев
Медали: 1
Форумчанин месяца (1)
Cash on hand: 316.76
Благодарил (а): 171 раз.
Поблагодарили: 798 раз.
Авто: Nissan Qashqai
Пункты репутации: 91

Re: Сел аккумулятор

Сообщение flex » Пт дек 05, 2014 13:27:15

Voyager писал(а):Если не ошибаюсь, режим механического открытия ключем может активирован, а может быть деактивирован. И по-моему на эту тему написано в мурзилке.

В мурзилке не нашел такого, чтобы можно было деактивировать мех. привод замка.
Да и не логично это, имхо...
Когда я ем - я глух и нем... хитёр и быстр, и дьявольски умён

Аватар пользователя
Qashqai - академик
 
Сообщений: 1351
Зарегистрирован:
Вс апр 25, 2010 18:02:10
Откуда: Одесса
Медали: 1
Форумчанин месяца (1)
Cash on hand: 152.90
Благодарил (а): 30 раз.
Поблагодарили: 184 раз.
Авто: Qashqai 1.6 B52 2007
Пункты репутации: 27

Re: Сел аккумулятор

Сообщение Voyager » Пт дек 05, 2014 14:13:16

flex писал(а):
Voyager писал(а):Если не ошибаюсь, режим механического открытия ключем может активирован, а может быть деактивирован. И по-моему на эту тему написано в мурзилке.

В мурзилке не нашел такого, чтобы можно было деактивировать мех. привод замка.
Да и не логично это, имхо...

Раздел "Запирание/отпирание при помощи ключа", там в конце есть Инициализация системы. Возможно в этом причина.

Qashqai читатель
 
Сообщений: 89
Зарегистрирован:
Ср июн 04, 2014 15:02:49
Cash on hand: 10.71
Благодарил (а): 0 раз.
Поблагодарили: 8 раз.
Авто: Nissan Qashqai
Пункты репутации: -11

Re: Сел аккумулятор

Сообщение Kola » Пт дек 05, 2014 16:36:10

Такая мысль , может получится . Снять плафон подсветки заднего номера и через него подать 12 вольт . Может хватит на открывание дверей . Легче чем лезть под машину и открывать капот .

Аватар пользователя
Qashqai - умище
 
Сообщений: 3520
Images: 0
Зарегистрирован:
Ср май 21, 2008 20:57:33
Откуда: Киев
Медали: 1
Форумчанин месяца (1)
Cash on hand: 316.76
Благодарил (а): 171 раз.
Поблагодарили: 798 раз.
Авто: Nissan Qashqai
Пункты репутации: 91

Re: Сел аккумулятор

Сообщение flex » Пт дек 05, 2014 16:43:11

Kola писал(а):Такая мысль , может получится . Снять плафон подсветки заднего номера и через него подать 12 вольт.

Чтобы снять задний фонарь, нужно открутить два болта под задней дверью...
Когда я ем - я глух и нем... хитёр и быстр, и дьявольски умён

Аватар пользователя
Лучший форумчанин Июля
 
Сообщений: 9912
Images: 138
Зарегистрирован:
Ср май 28, 2008 14:02:03
Откуда: Миколаїв
Медали: 1
Форумчанин месяца (1)
Cash on hand: 961.92
Благодарил (а): 322 раз.
Поблагодарили: 704 раз.
Авто: не кашкай
Пункты репутации: 131

Re: Сел аккумулятор

Сообщение bykovdima » Пт дек 05, 2014 16:51:28

flex
Kola писал(а):плафон подсветки заднего номера

там кажется ничего откручивать не надо, но не чревато ли для электроники такое подключение ?

Qashqai - умище
 
Сообщений: 9561
Зарегистрирован:
Вт май 06, 2008 16:42:22
Откуда: Харьков
Cash on hand: 1,044.46
Благодарил (а): 1362 раз.
Поблагодарили: 1230 раз.
Авто: Nissan Qashqai, 2.0CVT, 4WD, Tekna Pack
Пункты репутации: 47

Re: Сел аккумулятор

Сообщение oreh » Пт дек 05, 2014 17:02:53

Kola писал(а):Такая мысль , может получится . Снять плафон подсветки заднего номера и через него подать 12 вольт . Может хватит на открывание дверей . Легче чем лезть под машину и открывать капот .


а подсветка всегда светится или с габаритами?
Когда-то аналогичная проблема была у Папы, нужно его попытать

Аватар пользователя
папа
 
Сообщений: 15056
Images: 909
Зарегистрирован:
Пт фев 02, 2007 14:57:02
Откуда: Киев
Медали: 1
Форумчанин месяца (1)
Cash on hand: 1,804.19
Благодарил (а): 2012 раз.
Поблагодарили: 2069 раз.
Авто: Nissan Qashqai 2.0 CVT
Пункты репутации: 268

Re: Сел аккумулятор

Сообщение Сигналкин » Пт дек 05, 2014 17:25:31

oreh писал(а):Когда-то аналогичная проблема была у Папы, нужно его попытать

Мы уже в личке пообщались :)
Я отделался легким испугом. Одна дверь таки открылась при полусевшем акуме, просто на морозе примерзла. После пары часов в боксе открылась

Аватар пользователя
Qashqai - умище
 
Сообщений: 3520
Images: 0
Зарегистрирован:
Ср май 21, 2008 20:57:33
Откуда: Киев
Медали: 1
Форумчанин месяца (1)
Cash on hand: 316.76
Благодарил (а): 171 раз.
Поблагодарили: 798 раз.
Авто: Nissan Qashqai
Пункты репутации: 91

Re: Сел аккумулятор

Сообщение flex » Пт дек 05, 2014 17:32:58

oreh писал(а):а подсветка всегда светится или с габаритами?

По схеме подсветка номера на одной шине питания с габаритами (значит, светят вместе)... и эта шина идёт на микропроцессорный блок распределения питания.
Рисковать не хочу, чтоб не спалить его электронику.

oreh писал(а):Когда-то аналогичная проблема была у Папы, нужно его попытать

Пытал уже... Папе подвезло открыть одну дверь на последнем вздохе аккума.

Хочу попробовать снять пластиковую защиту и дотянуться рукой до замка капота... для руки места вроде хватит, только не знаю где там что щупать и тянуть.
Изображение
Когда я ем - я глух и нем... хитёр и быстр, и дьявольски умён

Аватар пользователя
Qashqai - гуру
 
Сообщений: 826
Зарегистрирован:
Пт ноя 22, 2013 12:13:05
Откуда: Бывший Гепаград
Cash on hand: 148.34
Благодарил (а): 670 раз.
Поблагодарили: 353 раз.
Авто: Nissan Qashqai 2WD 1,6 CE CVT 2013
Пункты репутации: 20

Re: Сел аккумулятор

Сообщение альтист Данилов » Пт дек 05, 2014 18:03:40



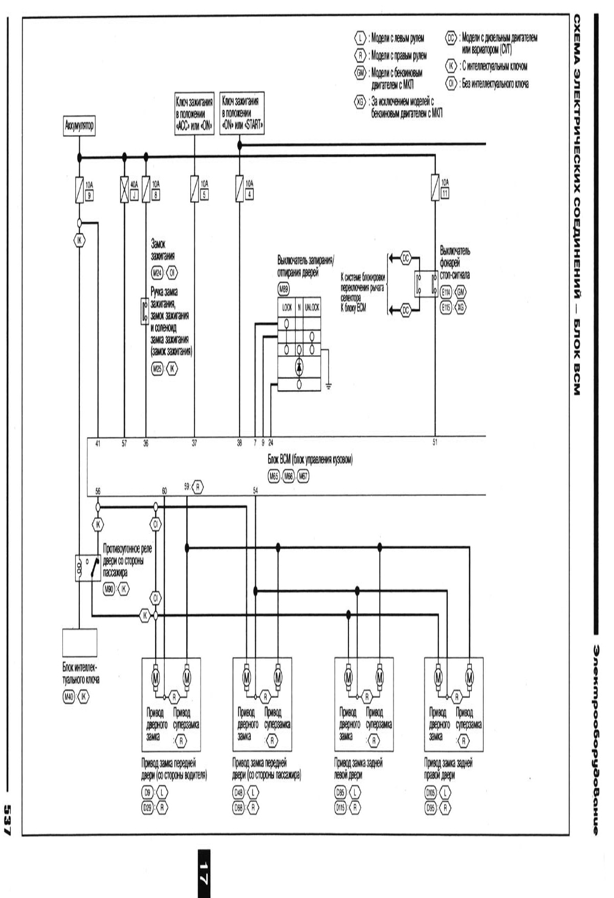
Из схемы видно, что сигнал на открывание замка водителя идет с контакта 60 блока ВСМ, скорее всего через какую-то электронику. Общий провод всех замков, с контакта 56, тоже наверное не на прямую к "массе". Поэтому, приложив 12в к заднему фонарю мы, наверное, не подадим его на замок. Как оно устроено в блоке ВСМ, нам не известно. #-o Думаю, правильно будет подключить аккум, попросив у соседа по гаражу (типа "прикурить") и открыть замок ключем или сигналкой. :sad:
Между слухов, сказок, мифов,
просто лжи, легенд и мнений
мы враждуем жарче скифов
за несходство заблуждений.

Пред.След.

Вернуться в Электрика

Кто сейчас на форуме

Зарегистрированные пользователи: Google [Bot]