Отзывы владельцев.
qaz
- qaz
- Сообщений: 12
- Зарегистрирован: Ср май 15, 2013 10:17:34
- Авто: Nissan Qashqai 2.0 мкк
Как включить задний противотуманный фонарь
Пт май 17, 2013 13:03:23
Кто подскажет? Прочитал по инструкции ,перепробовал сам в разных положениях передние включаются а задний нет(лампочка исправна вытаскивал проверял) и где на задний фонарь предохранитель .
bandit
- bandit
- Сообщений: 830
- Зарегистрирован: Вт окт 23, 2007 11:05:55
- Откуда: Kiev
Re: Как включить задний противотуманный фонарь
Пт май 17, 2013 13:09:14
...представился б для начала.
Если разобрался как включать передние, то задний тем же включателем, только еще немного прокрути ручку на пол оборота. Задний фонарь включится а ручка вернется в предпоследнее положение. Выключается также.
Владимир+2
- Владимир+2
- Сообщений: 2078
- Зарегистрирован: Сб окт 22, 2011 20:00:44
- Откуда: Краснодон
- Авто: Nissan Qashqai+2, 2.0, мкп
Re: Как включить задний противотуманный фонарь
Пт май 17, 2013 14:24:20
bandit писал(а):...представился б для начала.
Если разобрался как включать передние, то задний тем же включателем, только еще немного прокрути ручку на пол оборота. Задний фонарь включится а ручка вернется в предпоследнее положение. Выключается также.
Да, представиться нужно, для этого есть форум "Разрешите представиться", создаешь там темку и немного о себе...
Задний противотуманный фонарь включается как рассказал тебе
bandit только горит он при включенном ближнем свете фар.
Andry
- Andry
- Сообщений: 192
- Зарегистрирован: Вс сен 14, 2008 23:55:39
- Откуда: Киев
Re: Как включить задний противотуманный фонарь
Сб май 18, 2013 21:44:23
bandit писал(а):...представился б для начала.
И лошадку свою представить нужно - а то окажется,
что это арабский скакун - а там заднего противотуманного фонаря нет
qaz
- qaz
- Сообщений: 12
- Зарегистрирован: Ср май 15, 2013 10:17:34
- Авто: Nissan Qashqai 2.0 мкк
Re: Как включить задний противотуманный фонарь
Вт май 21, 2013 10:48:26
Спасибо.
qaz
- qaz
- Сообщений: 12
- Зарегистрирован: Ср май 15, 2013 10:17:34
- Авто: Nissan Qashqai 2.0 мкк
Re: Как включить задний противотуманный фонарь
Вт май 21, 2013 11:02:39
Все сделал как посоветовали на панели приборов загорелась индикация что включилась противотуманная фара, даже слышно что есть нагрузка но фонарь не горит.
Ghorgh
- Ghorgh
- Сообщений: 1520
- Зарегистрирован: Сб авг 11, 2012 18:31:32
- Откуда: Белая Церковь
- Авто: Lada 21101 ГБО + Fia Doblo 1.9 Cargo Maxi
Re: Как включить задний противотуманный фонарь
Вт май 21, 2013 11:09:07
qaz писал(а):Все сделал как посоветовали на панели приборов загорелась индикация что включилась противотуманная фара, даже слышно что есть нагрузка но фонарь не горит.
Если индикация есть, то нужно проверить предохранители и лампочки.
qaz
- qaz
- Сообщений: 12
- Зарегистрирован: Ср май 15, 2013 10:17:34
- Авто: Nissan Qashqai 2.0 мкк
Re: Как включить задний противотуманный фонарь
Вт май 21, 2013 11:11:43
Лампочку проверил сразу рабочая, а предохранители я нашел только на передние противотуманки но они вкл. без проблем.
Shadow
- Shadow
- Сообщений: 1367
- Зарегистрирован: Пт мар 18, 2011 21:03:02
- Откуда: Киев
- Авто: Swamp Troll, 2.0, 4WD, CVT.
[Удалено]
Ср май 22, 2013 11:23:27
Сообщение было удалено
| удалил:
Shadow | Ср май 22, 2013 11:40:54.
Shadow
- Shadow
- Сообщений: 1367
- Зарегистрирован: Пт мар 18, 2011 21:03:02
- Откуда: Киев
- Авто: Swamp Troll, 2.0, 4WD, CVT.
Re: Как включить задний противотуманный фонарь
Ср май 22, 2013 11:45:12
Похоже, что на передние и заднюю ПТФ предохранитель один... По крайней мере нигде не нашел упоминаний про отдельный предохранитель на заднюю ПТФ или о том, что он совмещен с другим.
Я бы на всякий случай проверил лампу тестером или поставил заведомо рабочую, а то "на глаз" неисправность лампы определить иногда тяжело. Затем проверил бы приходит ли питающее напряжение на патрон лампы. Если нет - прежде всего проверил бы разъем ПТФ на предмет окисления и приходит ли напряжение на него. Если ничего не поможет и напряжения на разьеме нет, то останется только шерстить проводку.
oleg_t
- oleg_t
- Сообщений: 8976
- Зарегистрирован: Вс июн 14, 2009 21:29:59
- Откуда: Киев, Осокорки
- Авто: Qashqai 2007 2.0 4х4 CVT Silver Евросвет; ГБО BRC p&d
Re: Как включить задний противотуманный фонарь
Ср май 22, 2013 12:06:32
Я за 6 лет задний п/т фонарь включал пару раз для интереса, ну и может разок-другой в тумане.
Shadow
- Shadow
- Сообщений: 1367
- Зарегистрирован: Пт мар 18, 2011 21:03:02
- Откуда: Киев
- Авто: Swamp Troll, 2.0, 4WD, CVT.
Re: Как включить задний противотуманный фонарь
Ср май 22, 2013 12:09:16
oleg_t, это ценный комент для человека, у которого он вообще не работает...
Shadow
- Shadow
- Сообщений: 1367
- Зарегистрирован: Пт мар 18, 2011 21:03:02
- Откуда: Киев
- Авто: Swamp Troll, 2.0, 4WD, CVT.
Re: Как включить задний противотуманный фонарь
Ср май 22, 2013 20:36:13
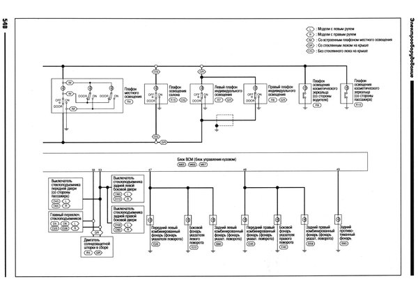
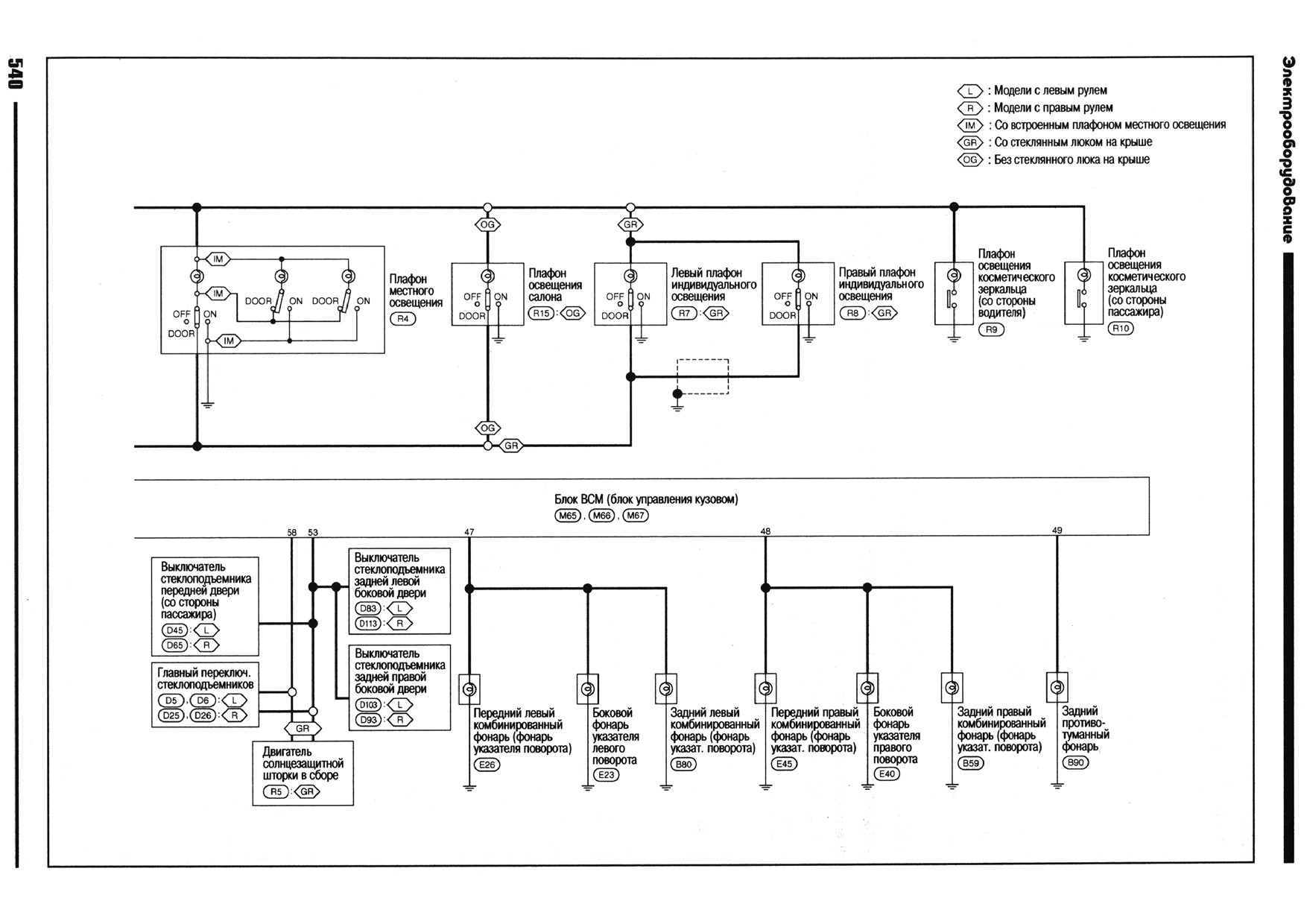
Порылся по схемам: задний ПТФ не имеет ни собственного внешнего реле, ни собственного внешнего предохранителя. Питание на него подается напрямую с контакта №49 блока ВСМ (блока управления кузовным оборудованием).
Так что если контролька горит, а на выходе блока ВСМ питающего напряжения нет, то все плохо если только машина не гарантийная: повреждение в блоке ВСМ. Если же на выходе блока ВСМ напруга таки есть, то виноват либо окислившийся разъем задней ПТФ, либо есть обрыв в цепи от блока ВСМ до этого разъема...
- Вложения
-

Torpedo
- Torpedo
- Сообщений: 15185
- Зарегистрирован: Пт сен 14, 2007 09:42:04
- Откуда: Киев
- Авто: Nissan Qashqai, 2.0, CVT, 4WD
Re: Как включить задний противотуманный фонарь
Ср май 22, 2013 20:44:07
Shadow писал(а):то виноват либо окислившийся разъем задней ПТФ, либо есть обрыв в цепи от блока ВСМ до этого разъема..
Радиотехника - наука о контактах!
Shadow
- Shadow
- Сообщений: 1367
- Зарегистрирован: Пт мар 18, 2011 21:03:02
- Откуда: Киев
- Авто: Swamp Troll, 2.0, 4WD, CVT.
Re: Как включить задний противотуманный фонарь
Ср май 22, 2013 20:45:56
Torpedo писал(а):Радиотехника - наука о контактах!

Ой, это ви мине будите рассказивать!
Powered by phpBB © phpBB Group.
phpBB Mobile / SEO by Artodia.