Курс 1Qгрошi=0.1грн. Джекпот: 25,00. Куплено билетов: 0. Следующий розыгрыш: Пт апр 17, 2026 17:32:35. Перейти к лотерее

Нужна схема кнопок управления на руле

Модератор: Модераторы форума

Аватар пользователя
Qashqai - умище
 
Сообщений: 3520
Images: 0
Зарегистрирован:
Ср май 21, 2008 20:57:33
Откуда: Киев
Медали: 1
Форумчанин месяца (1)
Cash on hand: 316.76
Благодарил (а): 171 раз.
Поблагодарили: 798 раз.
Авто: Nissan Qashqai
Пункты репутации: 91

Нужна схема кнопок управления на руле

Сообщение flex » Пн ноя 03, 2008 20:42:42

Просьба к спецам, имеющим техническую доку на Кашака... очень нужна принципиальная схема подсоединения кнопок на руле к штатной аудиосистеме-ченджеру (т.е. только аудио и блутуз... без круиз-контроля).

Насколько мне известно, схема резистивная (т.е. нажатие кнопки задаёт предопределённый порог постоянного напряжения на сигнальной шине данных, на который запрограммирована функция).
И что кнопки обучаемые... т.е. функции управления с руля можно предустановить на заданные пороги напряжения срабатывания.

Однако хотелось бы поиметь точную инфу и схему... 8)
Когда я ем - я глух и нем... хитёр и быстр, и дьявольски умён

Аватар пользователя
Лучший форумчанин 2010 года
 
Сообщений: 21371
Images: 274
Зарегистрирован:
Вс ноя 11, 2007 13:32:10
Откуда: Киев, Позняки
Медали: 4
Форумчанин месяца (3) Форумчанин года (1)
Cash on hand: 1,847.03
Благодарил (а): 3119 раз.
Поблагодарили: 7055 раз.
Авто: Nissan Qashqai 2.0, TeknaPack, 2007, CVT, 4WD
Пункты репутации: 479

Сообщение Сэнсэй » Пн ноя 03, 2008 23:12:40

flex
А мне на братских форумах много раз попадалось "и купил ещё адаптер-переходник для подключения кнопок на руле". А ты сам, получаеццо, решил адаптировать?
Щоб лани широкополi і Днiпро, i кручi
Стали вам поперек горла, москалi єбучі!

Аватар пользователя
Qashqai - умище
 
Сообщений: 3520
Images: 0
Зарегистрирован:
Ср май 21, 2008 20:57:33
Откуда: Киев
Медали: 1
Форумчанин месяца (1)
Cash on hand: 316.76
Благодарил (а): 171 раз.
Поблагодарили: 798 раз.
Авто: Nissan Qashqai
Пункты репутации: 91

Сообщение flex » Пн ноя 03, 2008 23:29:53

Сэнсэй
Да я тож нашёл на разных форумах... и везде эта инфа толковалась как-то неоднозначно.
Поэтому и хотелось бы глянуть в официальную доку (шоб сфильтровать неточности).
Собираюсь в конце недели менять штатную магнитолу... подключение кнопок на руле - одна из тонкостей установки, поэтому хочу до конца разобраться с этим. 8)

Если не секрет, а где такой адаптер можно прикупнуть?
К нему есть дока, которая однозначно проясняет схему?
Это оригинальный или левый аксессуар?
Ты уже что-то переподключал на руле, если он тебе понадобился?
И как... работает корректно?
Когда я ем - я глух и нем... хитёр и быстр, и дьявольски умён

Аватар пользователя
Лучший форумчанин 2010 года
 
Сообщений: 21371
Images: 274
Зарегистрирован:
Вс ноя 11, 2007 13:32:10
Откуда: Киев, Позняки
Медали: 4
Форумчанин месяца (3) Форумчанин года (1)
Cash on hand: 1,847.03
Благодарил (а): 3119 раз.
Поблагодарили: 7055 раз.
Авто: Nissan Qashqai 2.0, TeknaPack, 2007, CVT, 4WD
Пункты репутации: 479

Сообщение Сэнсэй » Вт ноя 04, 2008 00:07:36

flex

Не, я штатной говнитолкой пользуюсь и жду, пока ты свою раскурочишь :) А ты полный технический мануал качал? 179Mb. Там и электросхемы кошака есть, только я на них не обращал внимания.

Вот в Москве были концы, где знают про адаптер:

"Стоит 5000 рублей.
www.ABTO-ACC.ru
icq 408-707-217,490-201-398
тел. (495)173-5809, 730-5809, 506-1730, (499) 267-5953"
Щоб лани широкополi і Днiпро, i кручi
Стали вам поперек горла, москалi єбучі!

Аватар пользователя
Qashqai - умище
 
Сообщений: 3520
Images: 0
Зарегистрирован:
Ср май 21, 2008 20:57:33
Откуда: Киев
Медали: 1
Форумчанин месяца (1)
Cash on hand: 316.76
Благодарил (а): 171 раз.
Поблагодарили: 798 раз.
Авто: Nissan Qashqai
Пункты репутации: 91

Сообщение flex » Вт ноя 04, 2008 00:24:07

Сэнсэй писал(а):Не, я штатной говнитолкой пользуюсь и жду, пока ты свою раскурочишь :) А ты полный технический мануал качал? 179Mb. Там и электросхемы кошака есть, только я на них не обращал внимания.

О, супер!!! Как-то я упустил этот момент с мануалом (подумал, что это типо той книжки, что на Петровке взял.... и забил). Спасиб огромный! 8)
Как поставлю голову, если заведётцо и буит работать так шоб мне не краснеть, то устроим презентацию для жылаючих. :smile:

Сэнсэй писал(а):Вот в Москве были концы, где знают про адаптер:
"Стоит 5000 рублей.
www.ABTO-ACC.ru
icq 408-707-217,490-201-398
тел. (495)173-5809, 730-5809, 506-1730, (499) 267-5953"

Хотя в мануале на голову вродь как прямое подключение и ничего не гритцо про адаптер... но завтра отзвонюсь туда полюбэ и поспрашаю.
Последний раз редактировалось flex Вт ноя 04, 2008 00:32:56, всего редактировалось 1 раз.
Когда я ем - я глух и нем... хитёр и быстр, и дьявольски умён

Аватар пользователя
Лучший форумчанин 2010 года
 
Сообщений: 21371
Images: 274
Зарегистрирован:
Вс ноя 11, 2007 13:32:10
Откуда: Киев, Позняки
Медали: 4
Форумчанин месяца (3) Форумчанин года (1)
Cash on hand: 1,847.03
Благодарил (а): 3119 раз.
Поблагодарили: 7055 раз.
Авто: Nissan Qashqai 2.0, TeknaPack, 2007, CVT, 4WD
Пункты репутации: 479

Сообщение Сэнсэй » Вт ноя 04, 2008 00:45:52

Вот ещё в московской Эрте:

Контроллеры рулевого управления на Ниссан

Добавлено спустя 16 минут 15 секунд:

А вот ещё на буржуйском языке сервисный мануал (более 300 Мб зарубежного трафика):
http://qashqai-city.ru/data/Nissan_Qashqai_Tech_Manual.zip
Щоб лани широкополi і Днiпро, i кручi
Стали вам поперек горла, москалi єбучі!

Аватар пользователя
Qashqai - умище
 
Сообщений: 3520
Images: 0
Зарегистрирован:
Ср май 21, 2008 20:57:33
Откуда: Киев
Медали: 1
Форумчанин месяца (1)
Cash on hand: 316.76
Благодарил (а): 171 раз.
Поблагодарили: 798 раз.
Авто: Nissan Qashqai
Пункты репутации: 91

Сообщение flex » Вт ноя 04, 2008 02:20:45

Сэнсэй
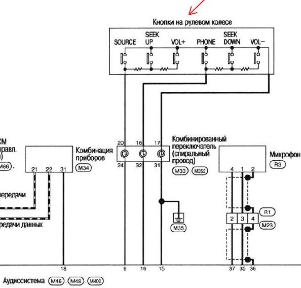
Вуа-ля!!! Нашёл таки схему (в прицепе фрагмент, стр 557)... Сэнсэю - БАНЗАЙ!!! :D
Это уже 90% победы! \:D/
Вложения
Схема подключения кнопок управления на руле к магнитоле

Аватар пользователя
Лучший форумчанин 2010 года
 
Сообщений: 21371
Images: 274
Зарегистрирован:
Вс ноя 11, 2007 13:32:10
Откуда: Киев, Позняки
Медали: 4
Форумчанин месяца (3) Форумчанин года (1)
Cash on hand: 1,847.03
Благодарил (а): 3119 раз.
Поблагодарили: 7055 раз.
Авто: Nissan Qashqai 2.0, TeknaPack, 2007, CVT, 4WD
Пункты репутации: 479

Сообщение Сэнсэй » Вт ноя 04, 2008 19:13:01

flex
Ежли у тебя всё получиццо - с тебя магарыч, а если попалишь чего - я не при чём :)
Щоб лани широкополi і Днiпро, i кручi
Стали вам поперек горла, москалi єбучі!

Аватар пользователя
Qashqai - умище
 
Сообщений: 3520
Images: 0
Зарегистрирован:
Ср май 21, 2008 20:57:33
Откуда: Киев
Медали: 1
Форумчанин месяца (1)
Cash on hand: 316.76
Благодарил (а): 171 раз.
Поблагодарили: 798 раз.
Авто: Nissan Qashqai
Пункты репутации: 91

Сообщение flex » Вт ноя 04, 2008 19:19:21

Сэнсэй писал(а):Ежли у тебя всё получиццо - с тебя магарыч,

ЛЕГ-КО! 8)
Сэнсэй писал(а):а если попалишь чего - я не при чём :)

Беспаники... СЯДЕМ ВСЕ! :lol:
Когда я ем - я глух и нем... хитёр и быстр, и дьявольски умён

Аватар пользователя
Qashqai - маньяк
 
Сообщений: 224
Images: 1
Зарегистрирован:
Пт ноя 30, 2007 08:29:57
Откуда: Сургут (ХМАО)<->Феодосия
Медали: 1
Форумчанин месяца (1)
Cash on hand: 33.20
Благодарил (а): 44 раз.
Поблагодарили: 57 раз.
Пункты репутации: 103

Сообщение AnD345 » Пт ноя 07, 2008 09:03:05

Вот с цветами проводов и разъемом.
Вложения
Navi Pack LE+ 2.0 4WD CVT A52G
Не хочешь работать? Компьютер тебе поможет... не работать! :)

Аватар пользователя
Qashqai - умище
 
Сообщений: 3520
Images: 0
Зарегистрирован:
Ср май 21, 2008 20:57:33
Откуда: Киев
Медали: 1
Форумчанин месяца (1)
Cash on hand: 316.76
Благодарил (а): 171 раз.
Поблагодарили: 798 раз.
Авто: Nissan Qashqai
Пункты репутации: 91

Сообщение flex » Чт ноя 13, 2008 11:09:49

Наконец-то получилось настроить и обучить магнитолу 8801 кнопкам управления на руле в Кашаке... \:D/

Проблема была в том, что штатная магнитола имеет 2 сигнальных входа (20 и 16), в то время как новая 8801 имеет только 1 вход (белый пров.).
Пришлось самому придумывать резистивную схему адаптации.... она (в прицепе) построена на двух подстроечных резисторах (1-1,5 кОм) и представляет собой перестраиваемый делитель напряжения.

Для тестового обучения магнитолы 8801 также пришлось собрать макет схемы кнопок на руле (фотки в прицепе.... отдельное СПАСИБО тов-чу AnD345 за номиналы штатных резисторов на руле)... на Кардачах прикупил 6 кнопок + 4 подстр. резистора (пара на 680 Ом и пара на 330 Ом), мультиметром выставил их точные значения (165 и 487 Ом как на схеме), собрал и соединил всё на соплях в виде временного макета.

Входы справа (красный, белый и чёрных) подключил к магнитоле 8801 и запустил режим обучения.... сохранил конфигурацию в памяти, проверка реакции магнитолы на нажимание кнопок на макете прошла успешно на все 100%.
Единственный нюанс - магнитола 8801 не понимает функцию поднятия трубки в режиме управления с руля... это программное ограничение и тут ничего не поделаешь (я просто заменил её другой функцией MUTE и теперь нажимание этой кнопки выполняет не поднятие трубки в режиме громкой связи, а вкл/выкл звука на магнитоле). Поднятие трубки в режиме громкой связи выполняется через тачскрин на 8801 (см. картинку).
Изображение

Всё, гайз! Поехал на сервис объяснять всю эту хренотень мастеру....
надеюсь, сегодня закончим инсталляцию. 8)
Вложения
Когда я ем - я глух и нем... хитёр и быстр, и дьявольски умён

Аватар пользователя
Лучший форумчанин 2010 года
 
Сообщений: 21371
Images: 274
Зарегистрирован:
Вс ноя 11, 2007 13:32:10
Откуда: Киев, Позняки
Медали: 4
Форумчанин месяца (3) Форумчанин года (1)
Cash on hand: 1,847.03
Благодарил (а): 3119 раз.
Поблагодарили: 7055 раз.
Авто: Nissan Qashqai 2.0, TeknaPack, 2007, CVT, 4WD
Пункты репутации: 479

Сообщение Сэнсэй » Чт ноя 13, 2008 13:51:43

flex
Глыба! предлагаю картонную коробку подогнать к 1-диновому разъёму и вставить под магнитолой. Экслюзив будет :)
Щоб лани широкополi і Днiпро, i кручi
Стали вам поперек горла, москалi єбучі!

Аватар пользователя
Лучший форумчанин Июля
 
Сообщений: 9912
Images: 138
Зарегистрирован:
Ср май 28, 2008 14:02:03
Откуда: Миколаїв
Медали: 1
Форумчанин месяца (1)
Cash on hand: 961.92
Благодарил (а): 322 раз.
Поблагодарили: 704 раз.
Авто: не кашкай
Пункты репутации: 131

Сообщение bykovdima » Чт ноя 13, 2008 14:13:31

Сэнсэй писал(а):flex
Глыба! предлагаю картонную коробку подогнать к 1-диновому разъёму и вставить под магнитолой. Экслюзив будет :)

еще и запасной ящичек будет :smile:

Аватар пользователя
Qashqai - умище
 
Сообщений: 3520
Images: 0
Зарегистрирован:
Ср май 21, 2008 20:57:33
Откуда: Киев
Медали: 1
Форумчанин месяца (1)
Cash on hand: 316.76
Благодарил (а): 171 раз.
Поблагодарили: 798 раз.
Авто: Nissan Qashqai
Пункты репутации: 91

Сообщение flex » Чт ноя 13, 2008 15:41:22

Сэнсэй
:smile: угу.... тогда лучче вставить в задний подлокотник (заместо подстаканников)... типо управление мафоном в задней зоне. :smile:
Когда я ем - я глух и нем... хитёр и быстр, и дьявольски умён


Вернуться в Электрика

Кто сейчас на форуме

Зарегистрированные пользователи: нет зарегистрированных пользователей